工廠地址:深圳市寶安區福永街道鳳凰興業一路華倫科技園21棟2樓
楊 總:13828709518
雷 總:13923457816
郵箱:yangdekai@hctlcd.com
QQ:417594796
Products Center
Contact Us
工廠地址:深圳市寶安區福永街道鳳凰興業一路華倫科技園21棟2樓
楊 總:13828709518
雷 總:13923457816
郵箱:yangdekai@hctlcd.com
QQ:417594796
| 型號 | H050IWV40I3506-CT30-RTD2281-1.0K |
| 尺寸 | 5 inch |
| 分辨率 | 800×480 |
| 接口 | 40PIN HDMI USB |
| 外觀尺寸 | 120.7 (寬) × 75.8 (高) ×15.27 mm |
| 顯示尺寸 | 108 (寬) × 64.8 (高) mm (A.A) |
| 亮度 | 680 nits |
| 視角 | ALL |
| 工作溫度 | 0 ~ 60 ℃ |
| 觸摸屏 | 帶電容觸摸 |
接口定義:



產品參數:
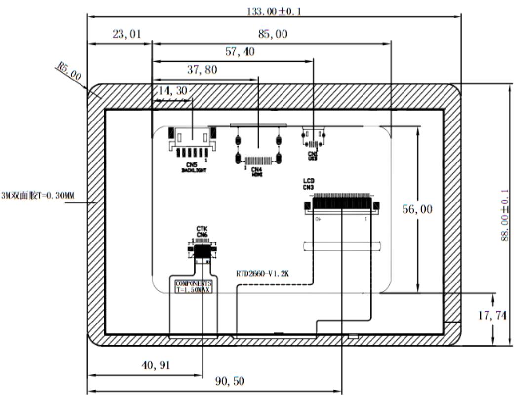
產品圖紙:

